
一、相序和相位及其測量的意義

在電力系統中,發電機、變壓器等的相序和相位是否一致,直接關系到它們能否并列運行。同時,正、負相序的電源還直接影響到電動機的轉動方向。所以,在三相電力系統中,常常需要測量設備的相序和相位,以確定其運行方式。
二、測量相序的方法
測量相序時,對于380V及以下的系統,可采用量程合適的相序表直接測量;對于高壓系統,采用電壓互感器在低壓側進行測量。
1.相序表測量
常用的相序表有旋轉式和指示燈式兩種。旋轉式相序表,系采用微型電動機(或其它轉動機構),并在其軸上裝有指示旋轉方向的轉盤,測量時借其轉動方向的不同,即可判斷被測三相的正、負相序。這種相序表較易掌握,下面著重介紹指示燈式相序表。指示燈式相序表工作原理如圖1-1:


在三相三線制電壓對稱平衡的系統中,若帶上星形連接的不對稱負載時,出現中性點位移電壓。以正序為例,若使a相電容的容抗值 與b、c兩相指示燈的電阻值R相等,以A相作基準向量,兩中性點之間的電壓、電源相電壓和負載相電壓如圖1-2(b)所示。從計算結果和向量圖中均明顯看出,當三相電壓為正相序時,b相指示燈比c相指示燈承受的電壓高,故b相的指示燈比c相亮。當三相電壓為負相序時,根據類似的計算和作圖,會得出這時c相的指示燈比b相的亮,這就是電容式指示燈相序表的工作原理。
2.指示燈相序表的故障分析
當a相負載開路,b、c兩相指示燈串聯,并接在線電壓ùBC上,所以兩相指示燈承受的電壓相等,分別等于ùbD和ùcD,這時指示燈的亮度相同。
當a相負載短路,b、c兩相指示燈將承受電源的線電壓ùAB和ùAC,亮度亦相同。
3.電感式指示燈相序表
若將a相負載換成電感線圈L,b、c相仍為指示燈,并取電抗值XL=R值時,按照上述類似的計算和作圖可知,當三相電壓為正相序時,則c相的指示燈比b相亮。若三相電壓為負相序時,其亮度相反,并隨著電感L值的變化,負載中性點O將沿弧ag’D移動(圖1-2,b)。

由電容和電感組成指示燈相序表的原理接線,如圖1-3所示。當被測三相電壓的相序為負相序時,則指示燈的亮和暗與圖中的標示相反。
三、測量相位的方法
測量相位,是在有電磁連接的同一系統并列或環接、主變壓器并列、以及新線路投入時不可缺少的試驗項目之一。測量相位的目的在于判斷相位和相序,防止由于彼此不一致,在并列時造成短路或出現巨大的環流而損壞設備,其測量方法如下。
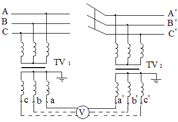
1.利用三相電壓互感器低壓側測量相位
(1)確定高壓側的相位

需要確定雙母線或分段母線的相位時,可利用系統中裝設的三相電壓互感器,如圖1-4所示,在其低壓側利用電壓表,依次測量aa'、ab'、ac'、ba'、bb'、bc'、ca'、cb'和cc'等九個數值,電壓接近或等于零值,為同名端;電壓為線電壓者,為異名端。據此,則可判定對應端高壓側的相位。測量時,兩個電壓互感器的變比、組別應相同。高壓側的電壓要基本一致,互差應不大于10%。
(2)確定低壓側的相位
在同一高壓電源上,需要確定三相電壓互感器低壓側的相位時,其試驗接線如圖1-5所示。測量時,按圖1-5測量電壓互感器低壓側任意兩線端的電壓,電壓指示接近或為零者為同名端;約為線電壓者,則為異名端。

2.利用單相電壓互感器確定高壓側的相位
(1)在有直接電聯系的系統定相

在有直接電聯系的系統(如環接)中,可外接單相電壓互感器,直接在高壓側測定相位。此時在電壓互感器的低壓側接入0.5級的交流電壓表,其接線如圖1-6所示。在高壓側依次測量Aa、Ab、Ac、Ba、Bb、Bc、Ca、Cb和Cc間的電壓,根據測量結果,電壓接近或等于零者,為同相;為線電壓者為異相。
測量時,必須注意以下事項:
①用絕緣棒將電壓互感器的高壓端,引接至被測的高壓線端頭,此時應特別注意人身和設備的安全;
②所采用的電壓互感器,事前應經與被測設備同等絕緣水平的耐壓試驗;
③電壓互感器的外殼和二次側的一端連接并接地;
④絕緣棒應符合安全工具的使用規定,引線間及對地間應具有足夠的安全距離;
⑤操作和讀表人員應站在絕緣墊上,所處的位置應有足夠的安全距離,并在負責人的指揮和監護下工作。
(2)在沒有直接電聯系的系統定相
在沒有直接電聯系(如兩臺需并列運行的變壓器,或變電站需并入系統等)的系統中,用外接單相電壓互感器在高壓側測定相位時,為了避免測量中由于被測設備對地電容的容抗,與電壓互感器的電抗匹配,發生串聯諧振造成事故。測量前應將某一對應端頭(如A和a,A為運行系統的A相,a為待定設備的a相)連接起來,如圖13-7中虛線所示(此時要特別注意,驗明兩系統確實無電聯系,方可連接)。然后將兩系統送電,在進行測量,依次讀取Bb、Bc、Cb和Cc四個電壓數值。判斷相位的方法同上。為了避免對應端接錯出現高電壓損壞測量電壓的互感器,最好用比被測電壓高一級的電壓互感器或用兩個與被測電壓同級的電壓互感器串聯測量。安全注意事項同(1)。
(3)用電阻定相桿測定相位
用電阻定相桿測定相位時,將定相的兩桿分別接向兩側,當電壓表(V)的指示接近或為零時,則對應的兩側屬于同相;若電壓表(V)的指示接近或大于線電壓時,則對應的兩側屬于異相。

定相桿的制作,在原理上和測量電位分布的電阻桿相同,其原理接線如圖1-7所示。高電阻R約按每伏10kΩ選用;每個電阻的容量約為1瓦;分配的電壓不應超過3kV;橋式整流元件可用鍺二極管(2AP);濾波電容C在0.1~5微法范圍選用;平衡電阻R1和R2為0.1~1MΩ,二者的數值相等;電壓表可選用50~100微安量限的表頭。
測量時,應按高壓帶電測量考慮有關的技術安全措施,如操作桿的絕緣、安全距離等,以保證人身和測量設備的安全。

對于電纜或架空輸電線路,敷設后需要核對兩端頭是否同相,一般可用電池和指示燈(或歐姆表),按圖1-8所示的接線,進行測定。此時,先將電池開關K,在線路一端一相(如C)接通(或接地),后將指示燈(或歐姆表)在線路的另一端依次接通A、B和C三相,如指示燈(L)發亮(或歐姆表指零或接近零)時,則表明該相和接電池(或接地)的導線同相。反之,則為異相。依次輪換重復測量三次,便可確定出三相的相別(虛線表示用歐姆表測定相別時的接線)。